Technobius, 2025, 5(4), 0092, DOI: https://doi.org/10.54355/tbus/5.4.2025.0092

Technobius

https://technobius.kz/

e-ISSN

2789-7338

 

 

Article

Utilization of waste glass, ceramic scraps, and slag in manufacturing ceramic building materials

 

Zhanar Kaliyeva1,  Danara Mazhit1,  Gabit Satmagambetov2,  Kinga Korniejenko3

 

1Department of Technology of Industrial and Civil Engineering, L.N. Gumilyov Eurasian National University, Astana, Kazakhstan

2G-park, LLP, Astana, Kazakhstan

3Faculty of Materials Engineering and Physics, Cracow University of Technology, Cracow, Poland

*Correspondence: danara.08.1998@mail.ru  

 

 

Abstract. This study examines the potential for reducing the consumption of natural clay raw materials while simultaneously recycling various types of waste in the production of clay ceramic materials. Crushed ceramics, thermal power plant slag, and cullet were used as technogenic components. The compositions were prepared using clay with varying waste content (5-20% by weight relative to clay) and the addition of an alkaline additive, NaOH (10% of the clay weight). After forming cylindrical samples, they were dried and fired at temperatures up to 1000 °C for 1 hour. The chemical composition of the raw materials was studied using XRF/EDS, and the microstructure was studied using SEM. Density, water absorption, linear shrinkage, and compressive strength were determined. The combined introduction of waste has a synergistic effect on the sintering processes and structure formation. Glass cullet acts as a fluxing agent and promotes compaction of the body, ceramic waste acts as an inert filler, reducing the risk of deformation, and slag introduces reactive aluminosilicate components that influence phase formation. An optimal waste content range has been demonstrated: moderate dosages improve performance without compromising processability. The best results were obtained with a composition of 10% glass cullet, 10% ceramic waste, and 5% slag (at 10% NaOH): compressive strength was 16 MPa, water absorption was approximately 7%, and density was approximately 1.32 g/cm3. The results confirm the potential of integrated waste recycling for producing ceramic materials at lower firing temperatures.

Keywords: clay, glass waste, ceramic brick waste, slag, ceramics.

 

1. Introduction

 

The production of ceramic materials consumes a high proportion of natural clay resources, leading to the depletion of non-renewable raw materials, increased production costs, and the industrial waste accumulation. Despite the widespread use of industrial waste in ceramic production, issues such as the instability of the chemical and mineralogical composition of the waste, insufficient understanding of their combined effects in multicomponent systems, and the risk of deterioration in the strength and process properties of ceramics during firing raise many questions [1].

In recent years, a number of studies have focused on the partial or complete replacement of natural clay with man-made raw materials. The works [2], [3] have proven the possibility of using various technogenic materials in the production of ceramic bricks as additives, and in some compositions as the main raw material, partially or completely replacing non-renewable, exhaustible resources of clay rocks. The large volume of ceramic brick production allows the utilization of industrial waste in quantities and a wide range of their composition using traditional technology and equipment [4], [5]. In addition, the creation of raw material compositions using technogenic materials as additives is one of the ways to expand the scale of use of low-grade clay rocks, improve technical properties, and reduce the cost of the resulting ceramic bricks [6].

There is a slight increase in water absorption when the amount of brick powder in the batch increases. It tracks the dynamics of decreasing values for the samples' compressive strength, average density, thermal conductivity coefficient, and total shrinkage. [7] and [8] show that brick waste can be used in the current technology of ceramic brick grades M125 and M150 with a brick powder content of up to 30 weight percent in a two-component batch at a firing temperature of up to 950 °C.

More recent studies have considered alternative waste streams. For example, [9] explores the use of a composite mixture of brick waste powder and ceramic powder as a substitute for clay in brick production. The study shows that approximately 27% of the clay can be replaced with waste while maintaining the same density, porosity, and water absorption capacity as bricks containing 100% clay.

Waste from thermal power plants, particularly ash and slag, is also widely considered as raw materials for ceramic materials. Several studies have shown that these wastes contribute to the formation of a dense structure, a reduction in firing temperature, and an increase in strength properties [10], [11]. For example, adding thermal power plant slag to the ceramic mass, the sintering temperature affected the final materials' porosity. Because a compacted microstructure forms at higher temperatures, porosity decreases. Porosity increased with increasing CaO and Al2O3 concentration, porosity decreased with increasing MgO and Fe2O3 content, while permittivity and electrical conductivity increased.  Firing at 1000-1200 °C yielded samples with a compressive strength of 45-60 MPa. The authors note that fly ash-based ceramics have a dense microstructure and low water absorption [10]. It dropped from sixteen percent to ten percent [11].

Another waste that we used in our work is glass waste, which has a high content of SiO₂, Na₂O, CaO, and Al₂O₃. The addition of crushed glass to clay reduces sintering temperatures, improves phase transformations during firing, and creates a denser microstructure. The authors looked at using leftover glass in red ceramics to replace up to 20% of the sand. Samples were burned at 800, 900, and 1000 °C. Density, flexural strength, and porosity all increased with the addition of 20% glass, reducing water absorption by 8-10% [12], [13].

Only a limited number of studies have addressed the combined use of wastes. In studies [14], [15], ceramic materials were produced from ash, slag, and cullet without the use of clay, achieving a strength of approximately 10 MPa at a firing temperature of approximately 1200 °C. As in our study, chemical and mineralogical analysis of the waste was conducted: X-ray fluorescence (XRF), X-ray diffraction (XRD), and scanning electron microscopy (SEM) to study the morphology and composition. In our work, we used ceramic waste as a third waste material. But the compressive strength results were similar: theirs was 10 MPa, ours was 9 MPa. The chemical composition of both works showed the predominance of the elements aluminum (25.8%) and silicon (53.7%). The most important difference between these works and ours is that we used clay as the main raw material, while they used waste.

In studies [16], [17], binary waste systems (ceramic cullet and glass, or slag and ceramic scrap) were considered; however, a comprehensive assessment of the synergistic effect of multicomponent systems was lacking. As in our work, the technology consisted of the use of ceramic brick waste and glass waste with the addition of clay; firing was carried out at 700-900 °C, and the difference is that they didn't add slag. The granules exhibited low water absorption (<5%) and high resistance to cyclic heating.

According to [17], to create ceramic tiles, they use steel slag and brick waste (ceramic scrap) crushed to powder form. Our material's moderate CaO and MgO content, along with its higher SiO2 and Al2O3 content, ensures more stable sintering and prevents deformation during firing, according to a comparison of our XRF and XRD analysis results with published data. Cullet causes an amorphous glass phase to form, which densifies the structure, lowers porosity, and permits firing temperatures to be lowered to 900-1050 °C without compromising strength. The fact that we use cullet also provides advantages such as compaction of the structure, reduction of porosity, and allows us to reduce the firing temperature to 900-1050 °C while maintaining strength.

Thus, a literature review reveals insufficient study of ceramic materials produced using combined waste streams, particularly in systems where clay is retained as the primary raw material [12], [14], [15], [16], [17], [18], [19]. The mutual influence of ceramic cullet, thermal power plant slag, and cullet on sintering processes, microstructure formation, and physical and mechanical properties at low firing temperatures remains understudied.

 Therefore, the research problem of this study is the lack of optimized ceramic body compositions that would enable the simultaneous recycling of several types of industrial waste, reduce firing temperatures, and maintain stable material performance characteristics.

This study aims to develop and study clay-based ceramic materials using the integrated use of ceramic waste, thermal power plant slag, and glass cullet, as well as to evaluate their phase composition, microstructure, and physical and mechanical properties. It is expected that the combined use of various industrial wastes will achieve a synergistic effect, optimize chemical composition, and improve the environmental and economic efficiency of ceramic product production.

 

2. Methods

 

All raw materials, including clay, ceramic cullet, and slag used in this study, were collected from the SG Brick, LLP (Astana, Kazakhstan). Another waste material used was crushed bottle glass obtained from post-consumer glass waste (Astana, Kazakhstan). Caustic soda (NaOH, 98%, China) was used as an alkaline additive. Distilled water was used for the preparation of all mixtures.

The sensitivity of the clay to drying was determined using the Chizhsky method [20] in laboratory conditions. Plates measuring 10×10×1 cm were formed and dried over a heating device at a temperature of 200 °C. The Rutkovsky technique was used to estimate the granulometric composition of clay [20].

The microstructure of the samples was analyzed using a scanning electron microscope (SEM). To make the geopolymer surfaces electrically conductive, a thin layer of gold was applied. The analysis was carried out using a JSM-IT200 scanning electron microscope (JEOL, Tokyo, Japan). mA DII-29010SCTR Smart Coater (JEOL, Tokyo, Japan) was used for gold coating of the samples.

The chemical composition (elemental and oxide) of the specimens was determined using X-ray fluorescence spectroscopy (XRF). The research (Figure 1) was conducted with the EDX-7200 (SHIMADZU EUROPA GmbH, Duisburg, Germany); the PCEDX Navi software (Version: EDX-7000P) was used.

 

   

Figure 1 – EDS analysis of the selected point of the clay material

 

First, all raw materials (clay, crushed glass, ceramic cullet, and slag) were dried to constant mass and ground to the required particle size. The dry components were then mixed according to the designed compositions.

Cylindrical specimens were prepared using clay as the main raw material with the addition of glass waste, ceramic cullet, and slag. The content of each waste component varied individually and in combination, ranging from 5%, 10%, and 20% by weight relative to the clay content. NaOH (caustic soda) was added to improve the strength of the compositions, 10% from the clay mass. NaOH was dissolved in water and then introduced into the dry mixture.

The prepared mixtures were molded into cylindrical samples with initial dimensions of 5×10 cm. After drying, the dimensions of the samples decreased to approximately 4.8×9.8 cm. Photographs of the dried samples are presented in Figure 2. The samples were dried in the drying machine SHS-80-01 SPU of the NV-LAB (Almaty, Kazakhstan) at 100 °C for 12 hours. The dried samples were fired in a laboratory muffle furnace SNOL 8.2 of the SNOL-TERM (Tver, Russia) at the selected sintering temperatures up to 1000 °C with a holding time of 1 hour, followed by furnace cooling.

 

Figure 2  – Waste-based ceramic samples after drying

 

Images of the fired samples after compressive strength testing are shown in Figure 3 to provide visual documentation of the experimental procedure and sample integrity. The tests were carried out on presses from the company "Controls" (Italy).

 

 

Figure 3 – Ceramic material tested for compressive strength

 

                Samples were also tested to determine density, water absorption, and linear shrinkage. Water absorption was determined by weighing a dry and water-saturated sample. Bulk density was calculated using the dry mass of the sample divided by its geometrical volume. Linear shrinkage was calculated using the initial and final lengths of the samples before and after firing.

 

3. Results and Discussion

 

The results of Chizhsky's method showed that the clay is less sensitive to drying. Table 1 shows the granulometric composition of clay by the Rutkovsky method.

 

Table 1 – Granulometric composition of clay by the Rutkovsky method

Content of fractions, % by weight

Sand particles of 1-0.05 mm

Dusty particles of 0.05-0.005 mm

Clay particles, less than 0.005 mm

33.75%

49.79%

16.46%

 

It was found that the majority of the material consists of silt particles 0.05-0.005 mm in size (49.79%), indicating the predominance of the fine fraction. The content of sand particles larger than 0.05 mm is 33.75%, while the proportion of clay particles smaller than 0.005 mm is 16.46%. According to literature, the predominance of the dust fraction promotes denser particle packing and positively influences the formation of the ceramic body structure during firing, ensuring uniform shrinkage and reducing internal stress [21]. The presence of the sand fraction acts as a leaning component, reducing shrinkage deformations during drying and firing and decreasing the tendency of the products to crack. This clay belongs to the sandy loam type, with a moderate content of sand and dust particles and a relatively low proportion of clay fraction. This ensures satisfactory plasticity during molding and a low tendency to crack during drying. At the same time, the clay content ensures sufficient plasticity of the mass, necessary for molding ceramic products [22].

Air shrinkage was calculated using the findings of measuring the samples' size change upon drying. Table 2 indicates the physical results after firing the clay.

 

Table 2 – Results after firing

Firing temperature

Average density, g/cm3

Linear fire shrinkage, %

Volumetric fire shrinkage, %

Linear total shrinkage, %

Volumetric total shrinkage, %

950

1.73

0.30

0.48

3.65

8.65

960

1.75

0.47

1.80

4.1

8.89

 

According to Table 2, increasing the firing temperature from 950 °C to 960 °C results in an increase in average density from 1.73 to 1.75 g/cm3. This indicates compaction of the ceramic body. At higher temperatures, diffusion processes are enhanced, leading to denser particle packing and a reduction in pore space. Linear shrinkage during firing increases from 0.30% to 0.47%, while volumetric shrinkage increases from 0.48% to 1.80%. This indicates that volumetric shrinkage is more sensitive to temperature changes. Linear total shrinkage increases from 3.65% to 4.1%, while volumetric shrinkage increases from 8.65% to 8.89%. This suggests that increasing the firing temperature to 960 °C enhances material compaction without causing excessive deformation [23].

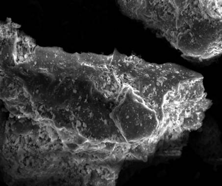
Figure 4 shows the clay’s microstructure analysis report by scanning electron microscope.

 

a) Magnification 1000x

b) Magnification 3500x

Figure 4 – Micrograph of clay

According to the image at 1000x magnification, particles measuring 20–30 µm in length have a layered, laminar structure with distinct edges and fracture planes characteristic of layered minerals such as kaolinite, montmorillonite, or illite. At 3500x magnification, particles measuring 0.2–1.5 µm with a scaly relief indicate the presence of montmorillonite. It was noticed in [24] too.

The chemical composition of clay by element is shown in Table 3 (Figure 1).

 

Table 3 – Element-by-element composition of clay, %

О

Mg

Na

Al

Si

K

Fe

45.26

0.95

2.26

16.3

26.21

4.97

4.05

 

Utilizing energy-dispersive X-ray spectroscopy (EDS), the elemental makeup of the clay sample was ascertained. We were able to determine the primary oxides that make up the material's structure. The spectrum contained the following elements: O, Si, Al, Fe, Mg, Na, and K. Oxygen (O) ensures the stability of the crystal lattice and binds metals to form stable oxides. Silicon (Si) is responsible for hardness, chemical resistance, and the formation of quartz and glassy phases. Aluminum (Al) increases refractoriness and promotes the formation of mullite (3Al2O3 2SiO2), which provides high strength and fire resistance. Magnesium (Mg) improves heat and chemical resistance and participates in the formation of high-temperature phases. Sodium (Na) and Potassium (K) act as fluxing elements, accelerating the sintering process. They promote the formation of the glassy phase, reduce porosity, and increase mechanical strength [8].

Table 4 displays the findings of the chemical composition of clay by oxides.

 

Table 4 – Oxide chemical composition of clay, %

Na2O

MgO

Al2O3

SiO2

K2O

FeO

2.98

1.54

30.08

54.51

5.81

5.07

 

Good brick clay contains Al2O3 in the range of 20-30%, SiO2 in the range of 50-60%, CaO in the range of 1-5%, and Fe2O3 in the range of 5-6% [25], [26]. SiO2 determines plasticity, heat resistance, and shrinkage during firing; Al2O3 and MgO impart strength, fire resistance, and other oxides reduce the melting temperature and improve sintering [27].

Figure 5 shows the chemical composition of slag obtained by XRF analysis.

 

Figure 5 – Chemical composition of slag

 

SiO2 and Al2O3 make up the majority of these ashes, with trace quantities of Fe2O3, K2O, SO3, and CaO. Its chemical makeup is comparable to what other writers have described [28], [29]. The high silica content is similar to that found in clays used for ceramic bricks, making the material suitable for replacing part of the clay. Al2O3 aids in the synthesis of mullite (3Al2O3 2SiO2).  Both oxides are responsible for the mechanical strength and heat resistance of ceramics. Fe2O3 content of up to 6% ensures normal fusibility without the risk of overfiring [12]. The oxides CaO, MgO, K2O, TiO2, and SO3 are present in small quantities (less than 2%). They primarily reduce the sintering temperature and form a liquid phase.

Figure 6 shows the percentage of oxides in glass waste.

 

Figure 6 – Chemical composition of glass waste

 

Silicon dioxide is the main component of glass waste [30]. A SiO2 content of 70-73% indicates the amorphous nature of the glass, which is capable of forming a stable silicate structure. Calcium oxide acts as a stabilizer for the glass structure. The total content of the remaining oxides does not exceed 3%, so they do not significantly affect the chemical balance of the material. However, they certainly contribute to the formation of a homogeneous microstructure [31].

Figure 7 demonstrates the chemical composition of ceramic broken brick waste.

 

Figure 7 – Chemical composition of broken brick waste

 

According to X-ray fluorescence (XRF) data from a number of open-source studies [17], ceramic waste is characterized by a predominance of SiO2, Al2O3, and Fe2O3, with low contents of CaO, MgO, and Na2O, which we also observe in our work. These oxides explain the appearance of anorthite/diopside/gehlenite phases in the system during co-sintering with slag. Ceramic waste acts as a structural filler and flux. Together with cullet and slag, it contributes to the compaction of the microstructure. This combination of waste allows for the optimization of the chemical composition of the ceramic material, improving its strength characteristics and reducing energy costs during firing.

10 % glass paint, 10 % ceramic paint, 5 % slag, and 10 % caustic soda were used in quantities to establish the sample's maximum compressive strength of 16 MPa. Glass begins to soften and melt at temperatures of 700-900 °C, filling the pores between clay particles and promoting sintering. This improves particle adhesion and reduces porosity, which directly increases compressive strength [24]. The total amount of waste was 25%, which is similar to the study where the waste was 25%-30% [8], [9].

Ceramic cullet acts as an inert filler, reducing shrinkage during drying and firing [32]. Slag promotes the formation of additional silicate and aluminosilicate phases [33].

The compressive strength of the material was 16 MPa. The water absorption of the samples was 7%. A reduction in size of 0.2 cm corresponds to approximately 4% shrinkage in diameter and 2% in height. The density of the samples is approximately 1.32 g/cm3.

 

4. Conclusions

 

The present study showed that wastes such as glass, ceramic cullet, and thermal power plant slag are effective at using them in ceramic production. Granulometric analysis of the clay revealed that it is a moderately plastic clay with low drying sensitivity.

The stable functional roles of the components in the multicomponent system were established. Glass cullet acts primarily as a fluxing component: during firing, it promotes the formation of a liquid phase, intensifies sintering, and leads to microstructural compaction. Ceramic waste acts as an inert filler, stabilizing the formation and behavior of the mass during firing by reducing its tendency to excessive shrinkage and deformation.

It has been shown that such a system is characterized by an optimal waste content range: moderate dosages provide a positive (synergistic) effect and improve operationally significant characteristics, whereas excessive replacement of clay with waste can disrupt the sintering balance and lead to the preservation of porosity, which limits strength and increases water absorption. This confirms that the properties of multicomponent mixtures are not simply the sum of the effects of individual additives and require targeted optimization of the composition.

Thus, the integrated use of glass cullet, ceramic waste, and slag in a clay base is a technologically feasible approach for the simultaneous recycling of several types of industrial waste, reducing the consumption of natural clay and potentially reducing firing energy consumption by intensifying sintering processes. Promising areas for further research include assessing durability (including frost resistance), the reproducibility of properties with varying waste composition, and the environmental safety of materials (particularly in terms of leaching properties).

 

References

[1]    S. Javed et al., “Strategies and pathways to improve circularity in ceramic tile production,” Journal of Cleaner Production, vol. 517, p. 145788, July 2025, doi: 10.1016/j.jclepro.2025.145788.

[2]    I. G. Dovzhenko, “The influence of metallurgical slurries on drying behaviour of ceramic masses for lining brick production,” Glass and Ceramics, vol. 86, no. 12, pp. 24–27, 2013.

[3]    A. Yu. Stolboushkin, G. I. Berdov, O. A. Stolboushkina, and V. I. Zlobin, “Firing temperature impact on structure forming in ceramic wall materials produced of fine dispersed iron ore enrichment wastes,” News of higher educational institutions. Construction, vol. 661, no. 1, pp. 33–41, 2014.

[4]    A. G. Tkachev, E. A. Yatsenko, V. A. Smoliy, A. S. Kosarev, and E. B. Dzyuba, “Influence of coal-mining waste on forming, drying and roasting properties of ceramic weight,” Technique and technology of silicates, vol. 20, no. 2, pp. 17–21, 2013.

[5]    V. Z. Abdrahimov and I. V. Kovkov, “Ekologicheskie, teoreticheskie i tehnologicheskie principy ispolzovaniya fosfornogo shlaka i zoloshlakovogo materiala v proizvodstve vysokomarochnogo keramicheskogo kirpicha,” in monograph, Centr Perspektiv. Razvitiya., Samara, Russia, 2009, p. 154.

[6]    N. T. Andrianov et al., “Himicheskaya tehnologiya keramiki,” in Textbook for universities, Moscow, Russia: Rif Strojmaterialy, 2012, p. 496.

[7]    A. I. Fomenko, V. S. Gryzlov, and A. G. Kartyushina, “Waste of ceramic brick as effective component of building composite materials,” Modern high technologies, no. 2–2, pp. 260–264, 2016.

[8]    A. I. Fomenko, A. G. Kaptyushina, and V. S. Gryzlov, “Expansion of Raw Material Resources Base for Construction Ceramics,” Construction Materials, no. 12, pp. 25–27, 2015, doi: 10.31659/0585-430X-2015-732-12-25-27.

[9]    A. Khitab et al., “Manufacturing of Clayey Bricks by Synergistic Use of Waste Brick and Ceramic Powders as Partial Replacement of Clay,” Sustainability, vol. 13, no. 18, p. 10214, Sept. 2021, doi: 10.3390/su131810214.

[10]  R. P. Dos Santos et al., “Coal Fly Ash Ceramics: Preparation, Characterization, and Use in the Hydrolysis of Sucrose,” The Scientific World Journal, vol. 2014, no. 1, pp. 1–7, 2014, doi: 10.1155/2014/154651.

[11]  P. S. Minakova, A. V. Taskin, and I. I. Nadtochiy, “Production of high-strength ceramics from ash and slag waste,” Tendencii razvitiya nauki i obrazovaniya, vol. 78, no. 2, pp. 105–107, 2021, doi: 10.18411/trnio-10-2021-69.

[12]  G. Delaqua et al., “Application of Glass Waste on Red Ceramic to Improve Sintering,” Sustainability, vol. 14, no. 16, p. 10454, Aug. 2022, doi: 10.3390/su141610454.

[13]  L. Barbieri, A. Corradi, and I. Lancellotti, “Bulk and sintered glass-ceramics by recycling municipal incinerator bottom ash,” Journal of the European Ceramic Society, vol. 20, no. 10, pp. 1637–1643, Sept. 2000, doi: 10.1016/S0955-2219(00)00032-7.

[14]  Diana. M. A. Valderrama, J. A. G. Cuaspud, L. Paredes-Madrid, Comprehensive Management of Agro-industrial Productivity and Services GISPA, Santo Tomas University, Tunja, Av. Universitaria, No. 45-202. Tunja, Boyacá, Colombia, Institute for Research and Innovation in Materials Science and Technology, Pedagogical and Technological University of Colombia, Av. Central del Norte, 39-115, Tunja, Boyacá, Colombia, and Faculty of Mechanic, Electronic and Biomedical Engineering, Universidad Antonio Nariño, Tunja 150001, Colombia, “Physical analysis and production-mechanics of glass-ceramic prototypes made by sintering cold-compacted powder samples (10% slag, 70% fly ash and 20% glass cullet),” AIMS Materials Science, vol. 8, no. 4, pp. 538–549, 2021, doi: 10.3934/matersci.2021033.

[15]  D. M. Ayala Valderrama, J. A. Gómez Cuaspud, J. A. Roether, and A. R. Boccaccini, “Development and Characterization of Glass-Ceramics from Combinations of Slag, Fly Ash, and Glass Cullet without Adding Nucleating Agents,” Materials, vol. 12, no. 12, p. 2032, June 2019, doi: 10.3390/ma12122032.

[16]  E. Siedlecka, J. Siedlecki, B. Bednarski, and S. Białek, “From Waste to Resource: Circular Economy Approaches to Valorize Fine Glass, Ceramic, and Plastic Residues in a Glass Recycling Plant,” Sustainability, vol. 17, no. 17, p. 7966, Sept. 2025, doi: 10.3390/su17177966.

[17]  Y. Ji, E. Li, G. Zhu, R. Wang, and Q. Sha, “Preparation and Performance of Ceramic Tiles with Steel Slag and Waste Clay Bricks,” Materials, vol. 17, no. 8, p. 1755, Apr. 2024, doi: 10.3390/ma17081755.

[18]  G. A. Khater, B. S. Nabawy, A. A. El-Kheshen, M. A.-B. Abdel Latif, and M. M. Farag, “Use of Arc Furnace Slag and Ceramic Sludge for the Production of Lightweight and Highly Porous Ceramic Materials,” Materials, vol. 15, no. 3, p. 1112, Jan. 2022, doi: 10.3390/ma15031112.

[19]  O. Gencel et al., “Recycling industrial slags in production of fired clay bricks for sustainable manufacturing,” Ceramics International, vol. 47, no. 21, pp. 30425–30438, Nov. 2021, doi: 10.1016/j.ceramint.2021.07.222.

[20]  “GOST 21216-2014 Clay raw materials. Test methods,” Moscow, Russia: Standardinform, 2015, p. 43.

[21]  I. A. Ryb’ev, “Stroitelnoe materialovedenie,” in Uchebnoe posobie dlya stroitelnyh specialnostej vuzov, Moscow, Russia: Vysshaya shkola, 2003, p. 701.

[22]  C. Candeias, I. Santos, and F. Rocha, “Characterization and Suitability for Ceramics Production of Clays from Bustos, Portugal,” Minerals, vol. 15, no. 5, p. 503, May 2025, doi: 10.3390/min15050503.

[23]  S. Karaman, S. Ersahin, and H. Gunal, “Firing temperature and firing time influence on mechanical and physical properties of clay bricks,” Journal of scientific and industrial research, vol. 65, no. 2, pp. 153–159, 2006.

[24]  A. V. Hrachanikau, A. S. Kauchur, P. I. Manak, and I. A. Tsimanov, “Research on the effectiveness of using the additive of break glass in the production of ceramic materials,” Bulletin of Vitebsk State Technological University, vol. 49, no. 3, pp. 85–96, 2024, doi: 10.24412/2079-7958-2024-3-85-96.

[25]  A. Khitab, “Materials of Construction: Classical and Novel,” Lahore, Pakistan: Allied Books, 2012.

[26]  A. Khitab and W. Anwar, “Classical Building Materials,” in Advanced Research on Nanotechnology for Civil Engineering Applications:, in Advances in Civil and Industrial Engineering. , Hershey, PA, USA: IGI Global, 2016, pp. 1–27. doi: 10.4018/978-1-5225-0344-6.

[27]  X. Gu and Y. Ling, “Characterization and properties of Chinese red clay for use as ceramic and construction materials,” Science Progress, vol. 107, no. 1, p. 00368504241232534, Jan. 2024, doi: 10.1177/00368504241232534.

[28]  C. Argiz, A. Moragues, and E. Menéndez, “Use of ground coal bottom ash as cement constituent in concretes exposed to chloride environments,” Journal of Cleaner Production, vol. 170, pp. 25–33, Jan. 2018, doi: 10.1016/j.jclepro.2017.09.117.

[29]  S. Naganathan, A. Y. O. Mohamed, and K. N. Mustapha, “Performance of bricks made using fly ash and bottom ash,” Construction and Building Materials, vol. 96, pp. 576–580, Oct. 2015, doi: 10.1016/j.conbuildmat.2015.08.068.

[30]  R. M. Khattab, M. A. Marzouk, and H. E. H. Sadek, “Synthesis and characterization of kaolin glass cullet ceramics modified with transition metal oxides for enhanced mechanical and optical properties,” Sci Rep, vol. 15, no. 1, p. 19337, June 2025, doi: 10.1038/s41598-025-03908-6.

[31]  Y. Xin et al., “Recycling Crushed Waste Beer Bottle Glass in Fired Clay Bricks,” Buildings, vol. 11, no. 10, p. 483, Oct. 2021, doi: 10.3390/buildings11100483.

[32]  T. N. Krasnova, “Effect of ceramic mass composition on the preservation of porous ceramic products,” The Heritage Institute journal, vol. 42, no. 3, pp. 42–47, Aug. 2025, doi: 10.34685/HI.2025.47.95.029.

[33]  O. V. Suvorova and D. V. Makarov, “Foam Glass and Foam Materials Based on Ash-Slag Wastes from Thermal Power Plants (Review),” Glass Ceram, vol. 76, no. 5–6, pp. 188–193, Sept. 2019, doi: 10.1007/s10717-019-00162-x.

Information about authors:

Zhanar Kaliyeva – Candidate of Technical Sciences, Associate Professor, Department of Technology of Industrial and Civil Engineering, L.N. Gumilyov Eurasian National University, Astana, Kazakhstan, zhanna-080477@mail.ru

Danara MazhitPhD Student, Department of Technology of Industrial and Civil Engineering, L.N. Gumilyov Eurasian National University, Astana, Kazakhstan, danara.08.1998@mail.ru

Gabit Satmagambetov – Director, G-Park, LLP, Astana, Kazakhstan, gsatmagambetov@mail.ru

Kinga Korniejenko – Professor, Faculty of Materials Engineering and Physics, Cracow University of Technology, Cracow, Poland, kinga.korniejenko@pk.edu.pl 

 

Author Contributions:

Zhanar Kaliyeva – concept, methodology, funding acquisition.

Danara Mazhit – testing, modeling, interpretation, drafting.

Gabit Satmagambetov data collection, analysis, visualization.

Kinga Korniejenko – editing, resources, review, specialized technical input.

 

Conflict of Interest: The authors declare no conflict of interest.

 

Use of Artificial Intelligence (AI): The authors declare that AI was not used.

 

Received: 19.10.2025

Revised: 26.12.2025

Accepted: 27.12.2025

Published: 28.12.2025

 

Copyright: @ 2025 by the authors. Licensee Technobius, LLP, Astana, Republic of Kazakhstan. This article is an open access article distributed under the terms and conditions of the Creative Commons Attribution (CC BY-NC 4.0) license (https://creativecommons.org/licenses/by-nc/4.0/).